25% Off Key Publishing offer ends in
CA
  
You are currently viewing the Canada version of the site.
Would you like to switch to your local site?
Latest Issue

Model Engineer Magazine 4680 Back Issue

English
217 Reviews   •  English   •   Family & Home (DIY)
Geoff Walker completes his K.N. Harris oscillating engine by making the cylinder and associated parts and then applying paint.
Doug Hewson introduces his next locomotive design, an LNER Thompson B1 in 5 inch gauge.
Roger Backhouse takes a tour of the Yorkshire Dales, investigating the mining of lead and silver, the making of bell ropes and the production of Wensleydale cheese.
Ian Couchman begins construction of a 2 inch scale Ransomes straw elevator to accompany his Ransomes threshing drum by making a start on the wooden frame.
Peter Seymour-Howell explains the process of turning the driving wheels for his highly detailed 5 inch Flying Scotsman locomotive.
John Arrowsmith visits the Rugby Model Engineering Society to investigate their new track and signalling system.
Ashley Best discusses the painting and lining of his 1/16 scale Bolton Corporation tram No. 140.
Ron Fitzgerald looks at early 19th century foundry work to find out more about the process of loam moulding in the manufacture of steam engine cylinders.
Robert Hobbs paints his 3½ inch gauge LNER Prairie locomotive.
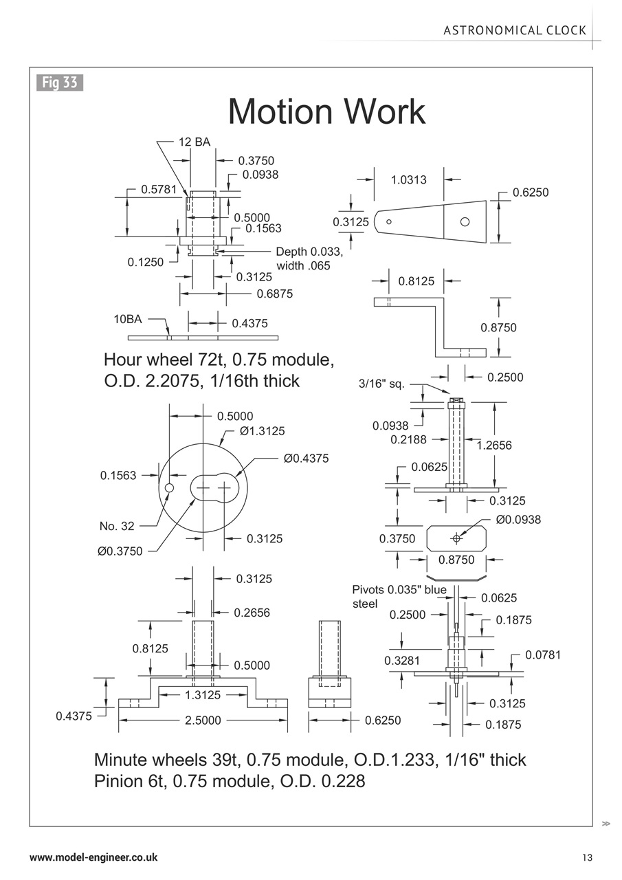
Adrian Garner constructs the motion work for his astronomical bracket clock.
Paul Ritchie tells the story of Richard Knott’s Foden Showman’s steam lorry, Pride of Edwin.
read more read less
Model Engineer Preview Pages Model Engineer Preview Pages Model Engineer Preview Pages Model Engineer Preview Pages Model Engineer Preview Pages Model Engineer Preview Pages Model Engineer Preview Pages Model Engineer Preview Pages

Model Engineer

4680 Geoff Walker completes his K.N. Harris oscillating engine by making the cylinder and associated parts and then applying paint. Doug Hewson introduces his next locomotive design, an LNER Thompson B1 in 5 inch gauge. Roger Backhouse takes a tour of the Yorkshire Dales, investigating the mining of lead and silver, the making of bell ropes and the production of Wensleydale cheese. Ian Couchman begins construction of a 2 inch scale Ransomes straw elevator to accompany his Ransomes threshing drum by making a start on the wooden frame. Peter Seymour-Howell explains the process of turning the driving wheels for his highly detailed 5 inch Flying Scotsman locomotive. John Arrowsmith visits the Rugby Model Engineering Society to investigate their new track and signalling system. Ashley Best discusses the painting and lining of his 1/16 scale Bolton Corporation tram No. 140. Ron Fitzgerald looks at early 19th century foundry work to find out more about the process of loam moulding in the manufacture of steam engine cylinders. Robert Hobbs paints his 3½ inch gauge LNER Prairie locomotive. Adrian Garner constructs the motion work for his astronomical bracket clock. Paul Ritchie tells the story of Richard Knott’s Foden Showman’s steam lorry, Pride of Edwin.


SELECT FORMAT:
Instant Access

Available Digital Offers:

Single Digital Back Issue 4680
 
$5.49 / issue
This issue and other back issues are not included in a Model Engineer subscription. Subscriptions include the latest regular issue and new issues released during your subscription and start from as little as
Unfortunately this title no longer publishes new issues. You can still buy back issues, or scroll down to view other titles you might be interested in.
Savings are calculated on the comparable purchase of single issues over an annualised subscription period and can vary from advertised amounts. Calculations are for illustration purposes only. Digital subscriptions include the latest issue and all regular issues released during your subscription unless otherwise stated. Your chosen term will automatically renew unless cancelled in the My Account area upto 24 hours before the end of the current subscription.

Model Engineer issue 4680

Model Engineer  |  4680  


Geoff Walker completes his K.N. Harris oscillating engine by making the cylinder and associated parts and then applying paint.
Doug Hewson introduces his next locomotive design, an LNER Thompson B1 in 5 inch gauge.
Roger Backhouse takes a tour of the Yorkshire Dales, investigating the mining of lead and silver, the making of bell ropes and the production of Wensleydale cheese.
Ian Couchman begins construction of a 2 inch scale Ransomes straw elevator to accompany his Ransomes threshing drum by making a start on the wooden frame.
Peter Seymour-Howell explains the process of turning the driving wheels for his highly detailed 5 inch Flying Scotsman locomotive.
John Arrowsmith visits the Rugby Model Engineering Society to investigate their new track and signalling system.
Ashley Best discusses the painting and lining of his 1/16 scale Bolton Corporation tram No. 140.
Ron Fitzgerald looks at early 19th century foundry work to find out more about the process of loam moulding in the manufacture of steam engine cylinders.
Robert Hobbs paints his 3½ inch gauge LNER Prairie locomotive.
Adrian Garner constructs the motion work for his astronomical bracket clock.
Paul Ritchie tells the story of Richard Knott’s Foden Showman’s steam lorry, Pride of Edwin.
read more read less
Model Engineer is the leading magazine in the world for model engineers. First published in 1898 by Percival Marshall, Model Engineer offers articles, plans on various engineering subjects.

As a subscriber you'll receive the following benefits:


•  A discount off the RRP of your magazine
•  New issues delivered to your device on the day of release
•  You'll never miss an issue
•  You’re protected from price rises that may happen later in the year

You'll receive 26 issues during a 1 year Model Engineer magazine subscription.

Note: Digital editions do not include the covermount items or supplements you would find with printed copies.

Your purchase here at Pocketmags.com can be read on any of the following platforms.


You can read here on the website or download the app for your platform, just remember to login with your Pocketmags username and password.

Apple Pocketmags Online Pocketmags Google Pocketmags
The Pocketmags app runs on all iPad and iPhone devices running iOS 13.0 or above, Android 8.0 or above and Fire Tablet (Gen 3) or above. Our web-reader works with any HTML5 compatible browser, for PC and Mac we recommend Chrome or Firefox.

For iOS we recommend any device which can run the latest iOS for better performance and stability. Earlier models with lower processor and RAM specifications may experience slower page rendering and occasional app crashes which are outside of our control.
4.4
/5
Based on 217 Customer Reviews
5
125
4
63
3
19
2
9
1
1
View Reviews

Model Engineer

im waiting to see how the joined magazine looks first Reviewed 19 February 2025

Model Engineer

An excellent magazine for the engineering enthusiast. Reviewed 09 November 2020

Model Engineer

brilliant Reviewed 13 September 2020

Model Engineer

one of the best out there Reviewed 22 June 2020

Model Engineer

Have now got used to my subscription being covered to digital and all is well here in Sydney
thank you.
Reviewed 04 June 2020

Articles in this issue


Below is a selection of articles in Model Engineer 4680.

Chat
X
Pocketmags Support